Tecumseh Horizontal Motor Diagram Tecumseh Formula Horizonta
Tecumseh magneto wiring diagram Tecumseh engine wiring diagram Tecumseh 6hp ohv
[DIAGRAM] Tecumseh Ohv Engine Specs Diagrams - MYDIAGRAM.ONLINE
Tecumseh manual repair hp engine mtd 10hp cycle small Tecumseh engine diagram Tecumseh parts engine hmsk80 diagram list diagrams hmsk cycle
[diagram] tecumseh ohv engine diagram exploded
[diagram] tecumseh ohv engine specs diagramsTecumseh engine hp vertical surpluscenter Mtd tecumseh 10hp repair manualTecumseh parts engine list h60 hh60 diagram diagrams h50 hh horizontal cycle manufacturer unable disabled javascript cart show partstree lookup.
Cant get my tecumseh engine idle down. put new governor and carb on itTecumseh hmsk80-155642w parts diagram for engine parts list #1 How to set the governor on a tecumseh hmsk snowblower engine-motorizedWiring diagram tecumseh engine.

Tecumseh h35 minibike
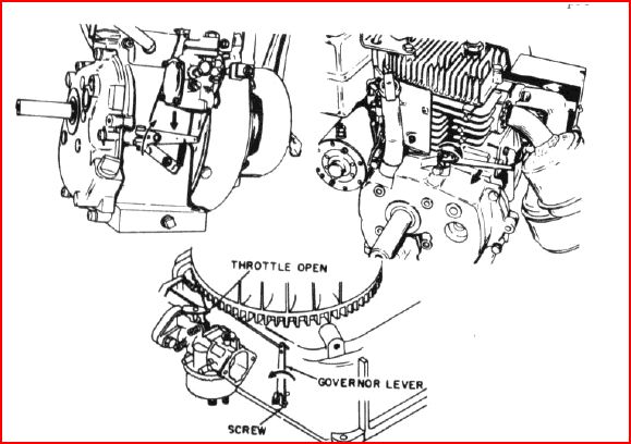
Tecumseh governor linkage diagramErsatzteillisten für solo rasenmäher motor 10 hp tecumseh Ariens tecumseh blower 9hp 13hp 1332 partstreeTecumseh wiring diagram.
Tecumseh engine parts diagram downloadTecumseh 6hp ohv wiring Tecumseh craftsman 5hp 6hp carburetor wiring searspartsdirect diagrams mower lawn genuineTecumseh formula horizontal engine with electric start — 10 hp, 1in. x.
![[DIAGRAM] Tecumseh Ohv Engine Specs Diagrams - MYDIAGRAM.ONLINE](https://i2.wp.com/az417944.vo.msecnd.net/diagrams/manufacturer/tecumseh/4-cycle-vertical/ohv125/ohv125-203039b-203039b-ohv125/engine-parts-list-1/diagram.gif)
Tecumseh hh60-105090f parts diagram for engine parts list #1
Throttle linkage tecumseh toro mower craftsman diagram carburetor engine governor carb hp spring lawn model idle 5hp down mtd justanswerTecumseh diagram engine parts list hm80 schematics online wiring Tecumseh horizontal shaft engineTecumseh h35 engine.
Tecumseh 6hp power sport engine diagram[diagram] tecumseh ohv engine diagram exploded 17.5 hp tecumseh vertical engineTecumseh 10 hp xl engine manual.

Tecumseh h30-35387y
[diagram] 10 hp tecumseh engine diagramTecumseh linkage governor throttle snowblower shaft adjust Tecumseh diagram magneto coil ignition condenser5 hp tecumseh engine diagram.
Tecumseh generator surpluscenterHm80 tecumseh hm100 timing carburetor exploded cylinder Tecumseh manual carburetor service guide schemaTecumseh trouble shooting.

Tecumseh 10 hp wiring diagram, wiring diagram tecumseh engine
Tecumseh hm80Tecumseh engine wiring diagram Tecumseh parts engine list h30 diagram h35 diagrams craftsman cycle lookup partstree unable javascript disabled cart show manufacturer horizontal[diagram] tecumseh ohv engine specs diagrams.
Wiring tecumseh magneto bilt troy mower engine tiller lawn craftsman hh60 belt kohler xp engines3 5 hp horizontal engine Tecumseh governor carburetor engines schematicTecumseh engine basic trouble shooting & service manual.

Engine tecumseh 6hp mower xl
Tecumseh 6hp power sport engine diagramTecumseh 6hp power sport engine diagram Ersatzteillisten für solo rasenmäher motor 13 hp tecumsehWiring tecumseh snapper 16hp mower stator tractors.
.
![[DIAGRAM] Tecumseh Ohv Engine Diagram Exploded - MYDIAGRAM.ONLINE](https://i2.wp.com/az417944.vo.msecnd.net/diagrams/manufacturer/cub-cadet/mtd-ohv-engines/4p90juf-420cc-engine/4p90juf-general-assembly/diagram.gif)




